服务热线
0769-28680919
153-2293-3971 / 177-0769-6579

产品特点:
1、可根据被测物体要求,每个照射面的照射角度和亮度可独立调整。
2、通用性较好,适用于众多场合,大幅面照明首选。
应用领域:
1、PCB基板检测
2、电子元件检测
3、焊锡检测
4、包装破损检测、标签检测、条码识别
5、球形物体检测
6、产品定位识别
性能参数:


产品系列选型表:

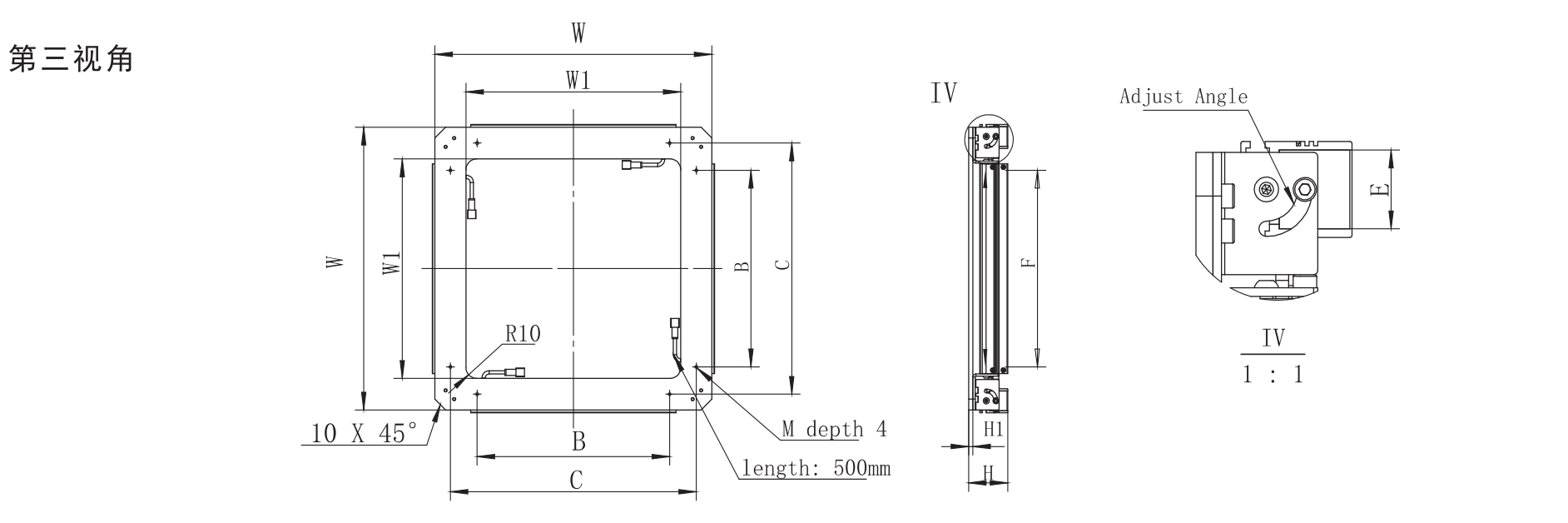
尺寸示意图:

四面可调光源应用实例:
键盘字符识别,使用四面可调光源,自由的调整各个光源的角度,使产品的表面亮度均匀,字符清晰。可检测键盘字符漏印歪斜等缺陷。

照射原理:

官方公众号
官方抖音号Copyright ? 2022 东莞康耐德智能控制有限公司版权所有.机器视觉系统 粤ICP备2022020204号-1 联系我们 | 网站地图