服务热线
0769-28680919
153-2293-3971 / 177-0769-6579

性能特点:
CSRAY 系列数字摄像机是由东莞康耐德智能控制有限公司最新研发的紧凑型数字摄像机,具有高分辨率、高清晰度、高精度、低噪声等特点,适用于工业检测、医疗、科研等领域。能稳定工作在各种恶劣环境下,是高可靠性、高性价比的工业数字摄像机产品。
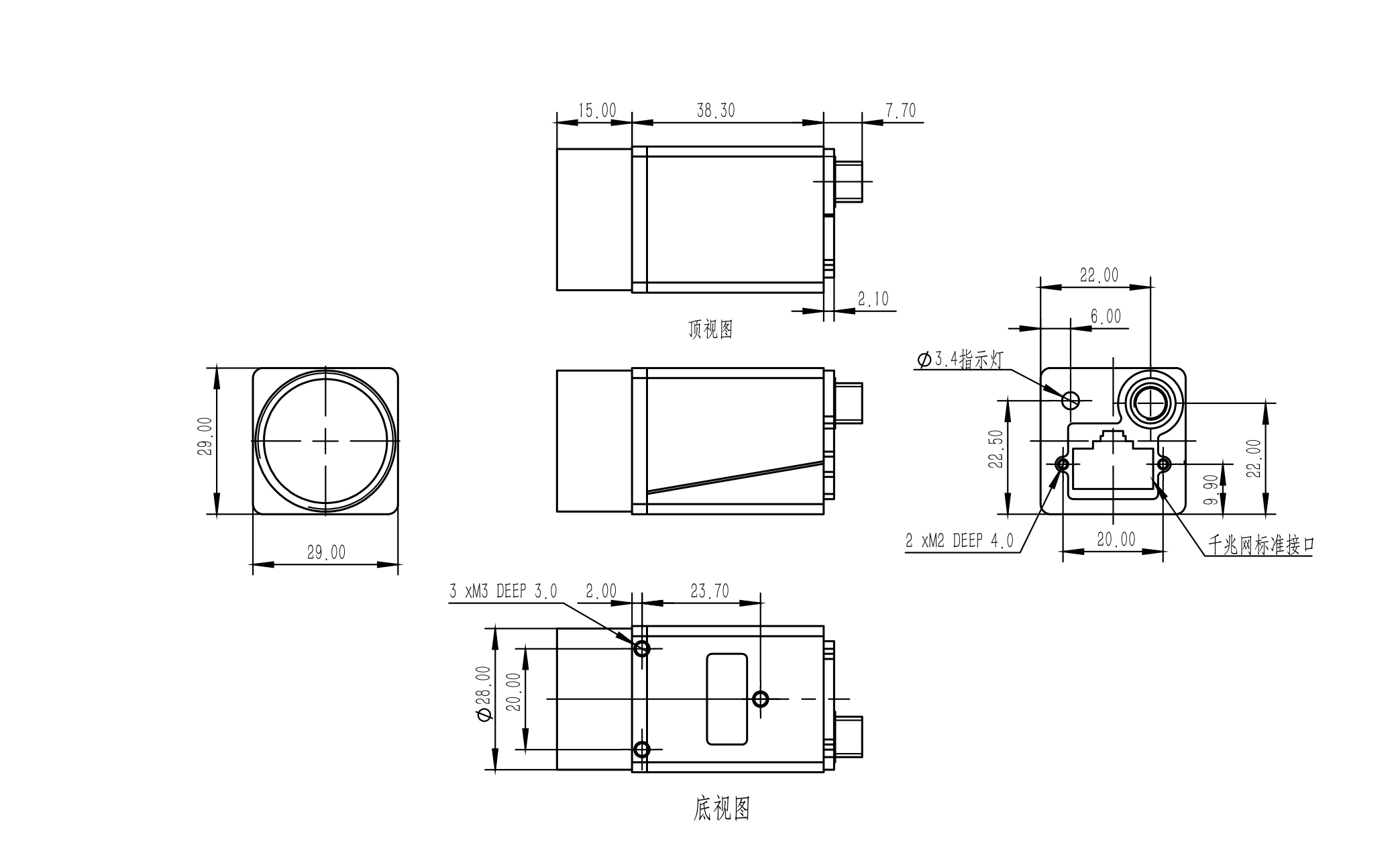
1、结构紧凑,小巧轻便,坚固耐用
2、支持自定义AOI,提高帧率
3、支持Power over Ethernet(PoE,兼容IEEE802.3a标准)
4、增益、曝光时间及白平衡可编程设置
5、坚固的全金属外壳和线缆锁紧装置
6、支持调节包长、包间隔,优化多机同时采集传输

产品系列选型表:



官方公众号
官方抖音号Copyright ? 2022 东莞康耐德智能控制有限公司版权所有.机器视觉系统 粤ICP备2022020204号-1 联系我们 | 网站地图