服务热线
0769-28680919
153-2293-3971 / 177-0769-6579

【检测目的】
通过视觉定位泡沫外壳,屏幕,?;げ闩菽奈恢?/p>
【泡沫外壳】


【?;げ恪?/p>






【屏幕】




【检测原理及说明】
1.泡沫外壳视觉检测:通过四个角的4套CCD检测出来外壳的四条边,可以得到对角线的交点,即为外壳的中心抓取点
2.?;げ愕慕堑氖泳跫觳夥椒ê屯饪羌觳夥椒ㄒ恢?如果保护层贴着外壳的边缘,会出现边缘无法准确的抓取得情况)
3.玻璃屏幕视觉检测:①产品有两边是带电路的透明玻璃,两边为不透明的面板,所以针对不同的边需要更改光源的亮度②屏幕在框里面有较大的活动范围,会出现第二层的屏幕边缘会露出来影响最上面一层屏幕的边缘抓取③产品摆放方向如果不一致,会造成边缘无法准确识别
【方案评估】
以目前样品进行光学实验及图像处理结果来看,可以找出外壳的中心点,可以找到?;げ愕谋撸ú惶磐饪堑那榭鱿拢徊A聊坏亩ㄎ挥跋煲蛩亟隙?。本方案的视野为150mm*112.5mm,视觉精度为150mm/2592pix=0.057mm/pix。
【硬件配置】

【打光示意图】

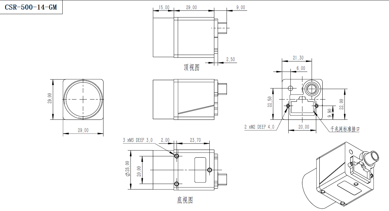
【硬件图纸-相机】

【硬件图纸-镜头】

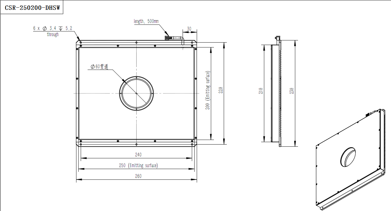
【硬件图纸-光源】

官方公众号
官方抖音号Copyright ? 2022 东莞康耐德智能控制有限公司版权所有.机器视觉系统 粤ICP备2022020204号-1 联系我们 | 网站地图
